Postingan
Menampilkan postingan dari Agustus, 2023
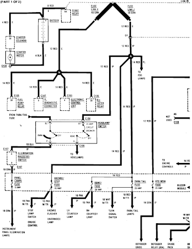
Old Jeep Wiring Diagram, ECU Wiring - JeepForum.com
- Dapatkan link
- X
- Aplikasi Lainnya
[7+] jesus wallpaper iphone 11 Wallpaper cross desktop iphone wallpapers background jesus backgrounds cute | imagenes4k.com
- Dapatkan link
- X
- Aplikasi Lainnya